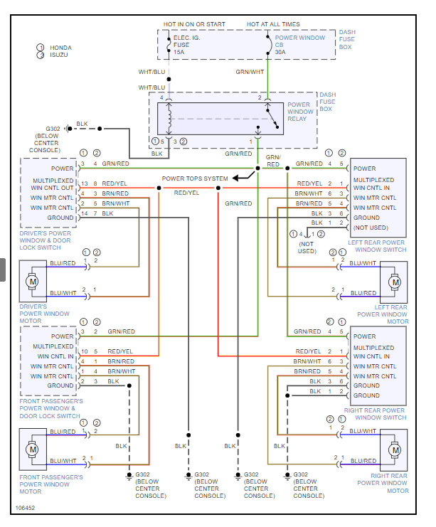
12+ Power Window Cable Diagram


Relays For Your Power Windows


Power Window Motor Car Wiring For Beginners Wiringrescue Youtube


Power Window Master Switch Harness Wiring Diagram


Power Window Car Alternator Car Repair Diy Electronics Mini Projects


Power Window Wiring Diagram 1 Youtube


J B 1 Diagram Power Source For Mirror And Windows Toyota Nation Forum


Power Windows Front Left Driver Side Stop Working Electrical Pinout Help Please Hyundai Forums


Lp640 Coupe 2007 Window Regulator Diagram 837 03 00


Bes 560t Industrial Dc Pc Power Supply 600w 48v Tuv Ul Dc Dc Ps2 24 7 62368 1


Fixing Current Draw From Power Window Module Page 2 Vw Vortex Volkswagen Forum


Half Manual Power Window Wiring Diagram By Killer2001 J Sugiyama Flickr


Power Window Switch Mod Third Generation F Body Message Boards


No Power To S And B Terminals On 1998 Wrangler Jeep Jeep Wrangler Forum


Window Motor Electrical Diagram Youtube


Window Cable Loose Bound Up Diagram Help Please The Lotus Cars Community


88 Fj62 Power Window Help Ih8mud Forum


The Old Alternator Wiring Again Ls1tech Camaro And Firebird Forum Discussion


01 02 2002 X20 Jdm Wiring Diagram For D7 Connector Needed Subaru Forester Owners Forum

Iklan Atas Artikel

Iklan Tengah Artikel 1

Iklan Tengah Artikel 2

Iklan Bawah Artikel